Schutzrelais-Systeme

Zuverlässiger Echtzeitschutz und -steuerung für kritische Stromversorgungssysteme. Gewährleisten Sie die Betriebssicherheit, minimieren Sie Ausfallzeiten und erhalten Sie die Systemintegrität mit unseren fortschrittlichen Schutzrelais-Systemen.

Erregersysteme

Präzise Spannungsregelung für eine zuverlässige Generatorleistung. Unsere Erregersysteme bieten eine genaue und reaktionsschnelle Steuerung der Generatorfeldspannung, um Stabilität, Zuverlässigkeit und optimale Leistung unter allen Betriebsbedingungen sicherzustellen.

Spannungsregler

Konstante, stabile Spannungsregelung für Generatoren und Stromversorgungssysteme. Unsere Spannungsregler gewährleisten eine präzise Ausgangsspannung, schützen die Geräte, verbessern die Stromqualität und sichern die Systemstabilität.

Generatorsteuerungen

Unsere Generatorsteuerungssysteme bieten umfassende Kontrolle über Motor- und Generatorfunktionen und sorgen für zuverlässige Automatisierung, Schutz und Überwachung Ihrer Systeme.

Software

Moderne digitale Geräte bieten eine Vielzahl konfigurierbarer Einstellungen, um unterschiedlichen Anwendungsanforderungen gerecht zu werden. Bei der Vielzahl an Parametern und Funktionen ist eine benutzerfreundliche Oberfläche entscheidend. Schutzrelais und digitale Geräte nutzen fortschrittliche Algorithmen und Filtertechniken, um präzise Echtzeitentscheidungen zu treffen.

Maßgeschneiderte Transformatoren

Auftragsgefertigte Transformatoren für spezielle Energieanwendungen. Unsere maßgeschneiderten Transformatoren werden entwickelt und gefertigt, um Ihre genauen elektrischen, mechanischen und umweltbedingten Anforderungen zu erfüllen.

Zubehör

Wichtige Zubehörteile zur Optimierung und Vervollständigung Ihres Stromversorgungssystems. Steigern Sie Leistung, Zuverlässigkeit und Flexibilität Ihrer Energieanlagen mit unserem vollständigen Zubehörsortiment.

Alle anzeigen

Alle unsere Basler-Produkte ansehen

Handbücher

Finden Sie Bedienungsanleitungen, Protokollhandbücher, Schnellstartanleitungen, Firmware-/Software-Änderungsprotokolle und mehr.

Zertifizierungen

Alle behördlichen Zertifizierungen ansehen

Software

Entdecken Sie unsere BEST-Software-Suite, Konfigurationsdateien, Modbus-TCP-Discovery und mehr.

Vorlagen

Anwendungs-Vorlagen und -Komponenten, HMI-Dateien und -Vorlagen, Logikschemata und mehr ansehen.

Anwendungen

Holen Sie sich Anwendungsleitfäden, Anwendungshinweise und Produktinformationen.

Zeichnungen

Zeichnungen umfassen Produktzeichnungen, Zeichnungen von Montagezubehör und mehr.

Broschüren

Sehen Sie sich unsere Produktbroschüren, Bulletins und Werbeflyer an.

Fallstudien

Schauen Sie sich unsere Fallstudien an.

Alle Ressourcen anzeigen

Bedienungsanleitungen, Software, Zertifikate und mehr ansehen.
Basler University

Universität Basel

An der Universität Basel finden Sie eine Vielzahl von Schulungsressourcen – von Präsenzschulungen für Kunden über virtuelle Lernangebote und kursergänzende Veranstaltungen mit Dozenten bis hin zu On-Demand-Videos.

Präsenzschulung

Unsere erfahrenen Dozenten bieten Live-Schulungen zu unseren Produkten und Dienstleistungen an.

E-Learning

Unsere Online-Webinare ermöglichen es Ihnen, Live-Kurse unter der Leitung eines Basler-Dozenten bequem von zu Hause oder vom Büro aus zu besuchen.

Auf Abruf

Unsere Bibliothek mit On-Demand-Videos ermöglicht es Ihnen, in Ihrem eigenen Tempo zu lernen. Wählen Sie Ihr gewünschtes Thema und lernen Sie ganz nach Ihrem Rhythmus.

Maßgeschneiderte Schulung

Wir bieten anpassbare Schulungsprogramme, die speziell auf Ihre individuellen Bedürfnisse zugeschnitten sind. Ganz gleich, ob Sie das Verständnis für bestimmte Systeme vertiefen, Ihre Fähigkeiten zur Fehlersuche verbessern oder neue Mitarbeitende in Best Practices schulen möchten – wir entwickeln gemeinsam ein Programm, das zu Ihren Zielen passt. Die Schulungen können bei Ihnen vor Ort oder bei uns durchgeführt werden.

24/7 Technischer Support

Technischer Telefonsupport ist rund um die Uhr, an jedem Tag des Jahres, verfügbar.

Basler Services

Basler Services, LLC, ehemals E² Power Systems, wurde 2017 von Basler Electric übernommen, um den Kundenbedürfnissen noch besser gerecht zu werden und nahtlose Lösungen sowohl für Produkte als auch für Engineering-Dienstleistungen anzubieten.

Elektrische Systemplanung

Basler Services bietet modernste elektrische Systemplanung und entwickelt Lösungen, die Leistung, Sicherheit und Effizienz optimal auf Ihre individuellen Anforderungen abstimmen. Unsere erfahrenen Ingenieure begleiten Sie durch jede Phase – von der Konzeptplanung und Schutzrelais-Koordination bis hin zu vollständiger Dokumentation und Inbetriebnahmeunterstützung – und gewährleisten so eine zuverlässige, normgerechte elektrische Infrastruktur.

Schlüsselfertige Ingenieurdienstleistungen

Mit umfangreicher Erfahrung in der Umsetzung schlüsselfertiger Projekte bündelt Basler Services Ressourcen, um maßgeschneiderte Installationslösungen anzubieten. Kunden können genau so viel – oder so wenig – in Anspruch nehmen, wie sie möchten, und wählen gezielt die Installationsunterstützungsleistungen aus, die ihren Bedürfnissen entsprechen.

Vor-Ort-Services

Basler Services bietet umfassende Vor-Ort-Services, die darauf ausgelegt sind, Ihre Energieerzeugungssysteme zuverlässig und regelkonform am Laufen zu halten. Von Notfall-Fehlerbehebung und geplanten Wartungen über NERC-Konformitätstests bis hin zu maßgeschneidertem technischem Training – die Ingenieure vor Ort sorgen dafür, dass Ihre Abläufe effizient sind und Ihr Team bestens geschult wird.

Beratung

Basler Services bietet professionelle Beratung, um elektrische Energiesysteme in puncto Sicherheit, Zuverlässigkeit und Leistung zu optimieren. Unser Team arbeitet eng mit den Kunden zusammen, analysiert Herausforderungen und liefert maßgeschneiderte, kosteneffiziente Lösungen.

SEGRITY Produkte & Dienstleistungen

Unter der Marke SEGRITY bietet Basler Services Produkte und Dienstleistungen für die Wasserkraftindustrie an. Wir sind spezialisiert auf Woodward-Regler, Wasserkraftregler, Anlagen- und Einheitssteuerungen, digitale Regelalgorithmen sowie die Installation und Inbetriebnahme von Steuerungssystemen.

Über uns

Unser Kernziel ist es, das Leben der Menschen zu verbessern, indem wir hochzuverlässige Lösungen entwickeln, die ihre Lebensqualität steigern.

Standorte

Unsere globalen Standorte ansehen

Qualitätsprogramme und Zertifizierungen

Die Qualitätspolitik von Basler Electric gilt für alle Produktionsstandorte und basiert auf demselben System, das darauf ausgelegt ist, die Anforderungen für den Erwerb der ISO-Zertifizierung zu erfüllen.

Unsere Geschichte

Von den 1940er Jahren bis heute: Basler ist immer innovativ, immer im Wandel.

Karriere

Teil des Basler-Teams zu werden bedeutet, Mitglied eines globalen Energie-Technologieführers zu werden, der die Energiewende in 145 Ländern vorantreibt. Es bedeutet, mit Kunden zusammenzuarbeiten, um einige der komplexesten und geschäftskritischsten Energieherausforderungen zu lösen. Und es bedeutet, für ein Unternehmen zu arbeiten, das seine Mitarbeitenden und deren Familien wertschätzt.

Veranstaltungen

Sehen Sie unseren Kalender mit Veranstaltungen, Messen und Konferenzen ein.

BE1-11 Schutzsystem

To create a quote, Login or request an Account.

Request an Account Login
BE1-11f
Auch erhältlich als voll ausziehbares Halbgehäuse (Bauformen 11f, 11g, 11i)
BE1-11 RTD-Modul
Montageplatte passend für  Multilin 489, 469, 345/745 und die Nachrüstungen 750/760, Basler Artikelnummer: 9424200073
Montageplatte passend für nicht ausziehbare nachgerüstete Multilin 369/269, Basler Artikelnummer: 9424200074
Montageplatte passend für ausziehbare nachgerüstete Multilin 269, Basler Artikelnummer: 9424200075
BE1-11 J-Gehäuse-Adapterplatte für GE S2 oder ABB FT-21-Geräteeinsatz, Basler Artikelnummer: 9108551021
Schwenkansatz-Montageset für BE1-11 J-Gehäuse, Basler Artikelnummer: 9424226101
Typische BE1-11f Speiseleitung
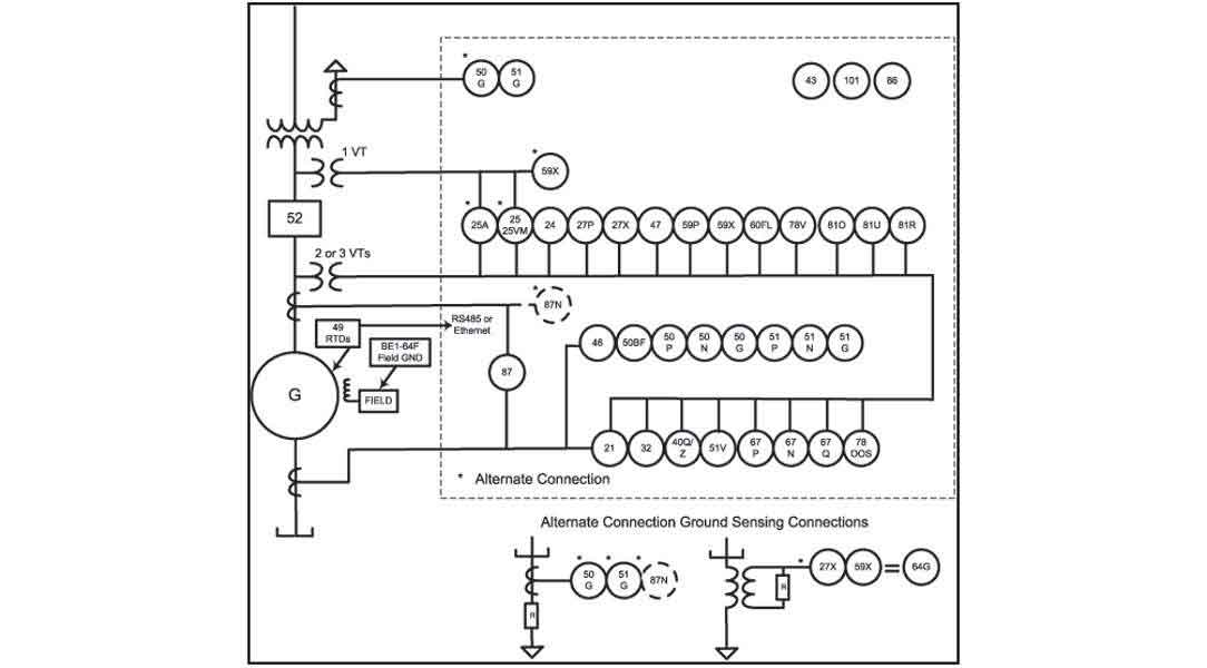
Typische BE1-11g Generatoranwendung
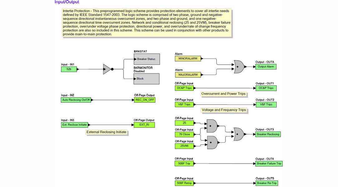
Typische BE1-11iZusammenschaltung
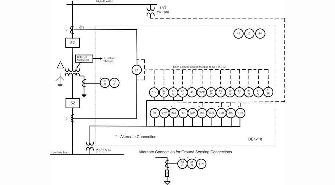
Typische BE1-11tTransformatoranwendung
Typische BE1-11mMotoranwendung
Vorprogrammierte Logik für die meisten Generatoren geeignet
Vorprogrammierte Logik für die meisten Motoren  geeignet
Vorprogrammierte Logik für die meisten Transformatoren  geeignet
Vorprogrammierte Logik für die meisten Speiseleitungen  geeignet
Vorprogrammierte Logik für die meisten Zusammenschaltungen  geeignet
BE1-11f
Auch erhältlich als voll ausziehbares Halbgehäuse (Bauformen 11f, 11g, 11i)
BE1-11 RTD-Modul
Montageplatte passend für  Multilin 489, 469, 345/745 und die Nachrüstungen 750/760, Basler Artikelnummer: 9424200073
Montageplatte passend für nicht ausziehbare nachgerüstete Multilin 369/269, Basler Artikelnummer: 9424200074
Montageplatte passend für ausziehbare nachgerüstete Multilin 269, Basler Artikelnummer: 9424200075
BE1-11 J-Gehäuse-Adapterplatte für GE S2 oder ABB FT-21-Geräteeinsatz, Basler Artikelnummer: 9108551021
Schwenkansatz-Montageset für BE1-11 J-Gehäuse, Basler Artikelnummer: 9424226101
Typische BE1-11f Speiseleitung
Typische BE1-11g Generatoranwendung
Typische BE1-11iZusammenschaltung
Typische BE1-11tTransformatoranwendung
Typische BE1-11mMotoranwendung
Vorprogrammierte Logik für die meisten Generatoren geeignet
Vorprogrammierte Logik für die meisten Motoren  geeignet
Vorprogrammierte Logik für die meisten Transformatoren  geeignet
Vorprogrammierte Logik für die meisten Speiseleitungen  geeignet
Vorprogrammierte Logik für die meisten Zusammenschaltungen  geeignet

— Product Features & Benefits

— Transforming Lives with Innovative, Reliable Products Rooted in Integrity & Sustainability.